Enviar consulta ahora
Características del producto:
El diseño optimizado del perfil del diente proporciona una gran área de contacto y una fuerza de engranaje mejorada, lo que le permite soportar una mayor salida de torque con el mismo diámetro.
La resistencia optimizada del material y la rigidez del perfil del diente reducen la deformación de los dientes causada por cargas elevadas.
Adecuado para transmisiones de carga pesada, aceleraciones y arranques frecuentes, y entornos de trabajo de alto impacto.
El diseño de transición del filete de la raíz del diente reduce la concentración de tensiones y mejora la vida útil a la fatiga.
Los dientes helicoidales o perfiles de dientes especiales reducen eficazmente el ruido y mejoran la suavidad del engranaje.
Los flancos de dientes lisos reducen el desgaste de la correa y prolongan su vida útil.
Las poleas dentadas curvas HTD (disponibles en pasos de 2 mm, 3 mm, 5 mm y 8 mm) ofrecen una alta capacidad de par para transmisiones de servicio pesado de velocidad media-baja. La serie SM de dientes dentados, ahora mejorada, logra una compatibilidad sin precedentes con transmisiones de alto par y alta velocidad, mientras que la serie PM de dientes curvos destaca por su excelente adaptabilidad en curvas y su funcionamiento ultrasilencioso, lo que la convierte en la solución óptima para aplicaciones de transporte de precisión a alta velocidad.
Polea de distribución S2M
| Tipo | Material | Tratamiento de superficies | |||
| Ancho de la correa: 4 mm | Ancho de la correa: 6 mm | Ancho de la correa: 10 mm | Polea | Brida | |
| A: 5 An: 9 L: 17 | A: 7 An: 11 L: 19 | A:11 W: 15 L: 23 | |||
| AW**S2M040 | AW**S2M060 | AW**S2M100 | 6061 | 6061 | Anodizado natural |
| AB**S2M040 | AB**S2M060 | AB**S2M100 | Anodizado negro | ||
| AH**S2M040 | AH**S2M060 | AH**S2M100 | Anodizado duro | ||
| AN**S2M040 | AN**S2M060 | AN**S2M100 | Niquelado | ||
| SF**S2M040 | SF**S2M060 | SF**S2M100 | S45C | SPCC | Recubrimiento de óxido negro |
| SN**S2M040 | Número de serie**S2M060 | SN**S2M100 | Niquelado | ||
| SU**S2M040 | SU**S2M060 | SU**S2M100 | SUS303 | - | |
Polea de distribución S3M
| Tipo | Material | Tratamiento de superficies | |||
| Ancho de la correa: 6 mm | Ancho de la correa: 10 mm | Ancho de la correa: 15 mm | Polea | Brida | |
| A: 7 An: 11 L: 19 | A: 11 W: 15 L: 23 | A:17 An: 21 L: 29 | |||
| AW**S3M060 | AW**S3M100 | AW**S3M150 | 6061 | 6061 | Anodizado natural |
| AB**S3M060 | AB**S3M100 | AB**S3M150 | Anodizado negro | ||
| AH**S3M060 | AH**S3M100 | AH**S3M150 | Anodizado duro | ||
| AN**S3M060 | AN**S3M100 | AN**S3M150 | Niquelado | ||
| SF**S3M060 | SF**S3M100 | SF**S3M150 | S45C | SPCC | Recubrimiento de óxido negro |
| SN**S3M060 | SN**S3M100 | SN**S3M150 | Niquelado | ||
| SU**S3M060 | SU**S3M100 | SU**S3M150 | SUS303 | - | |
Polea de distribución S5M
| Tipo | Material | Tratamiento de superficies | |||
| Ancho de la correa: 10 mm | Ancho de la correa: 15 mm | Ancho de la correa: 25 mm | Polea | Brida | |
| A: 11 W: 16 L: 28 | A: 17 W: 22 L: 34 | A:27 An: 32 L: 44 | |||
| AW**S5M100 | AW**S5M150 | AW**S5M250 | 6061 | 6061 | Anodizado natural |
| AB**S5M100 | AB**S5M150 | AB**S5M250 | Anodizado negro | ||
| AH**S5M100 | AH**S5M150 | AH**S5M250 | Anodizado duro | ||
| AN**S5M100 | AN**S5M150 | AN**S5M250 | Niquelado | ||
| SF**S5M100 | SF**S5M150 | SF**S5M250 | S45C | SPCC | Recubrimiento de óxido negro |
| SN**S5M100 | SN**S5M150 | SN**S5M250 | Niquelado | ||
| SU**S5M100 | SU**S5M150 | - | SUS303 | - | |
Polea de distribución S8M
| Tipo | Material | Tratamiento de superficies | ||||
| Ancho de la correa: 15 mm | Ancho de la correa: 25 mm | Ancho de la correa: 30 mm | Ancho de la correa: 40 mm | Polea | Brida | |
| A: 17 An: 22 L: 37(42) | A: 28 W: 33 L: 48(53) | A:33 C: 38 L: 53(58) | A: 44 W: 49 L: 64(69) | |||
| AW**S8M150 | AW**S8M250 | AW**S8M300 | AW**S8M400 | 6061 | 6061 | Anodizado natural |
| AB**S8M150 | AB**S8M250 | AB**S8M300 | AB**S8M400 | Anodizado negro | ||
| AH**S8M150 | AH**S8M250 | AH**S8M300 | AH**S8M400 | Anodizado duro | ||
| AN**S8M150 | AN**S8M250 | AN**S8M300 | AN**S8M400 | Niquelado | ||
| SF**S8M150 | SF**S8M250 | SF**S8M300 | SF**S8M400 | S45C | SPCC | Recubrimiento de óxido negro |
| SN**S8M150 | SN**S8M250 | SN**S8M300 | SN**S8M400 | Niquelado | ||
Polea de distribución HTD3M
| Tipo | Material | Tratamiento de superficies | |||
| Ancho de la correa: 6 mm | Ancho de la correa: 10 mm | Ancho de la correa: 15 mm | Polea | Brida | |
| A: 7 An: 11 L: 19 | A:11 W: 15 L: 23 | A:17 An: 21 L: 29 | |||
| AW--3M060 | AW--3M100 | AW--3M150 | 6061 | 6061 | Anodizado natural |
| AB--3M060 | AB--3M100 | AB--3M150 | Anodizado negro | ||
| AH--3M060 | AH--3M100 | AH--3M150 | Anodizado duro | ||
| AN--3M060 | AN--3M100 | AN--3M150 | Niquelado | ||
| SF--3M060 | SF--3M100 | SF--3M150 | S45C | SPCC | Recubrimiento de óxido negro |
| SN--3M060 | SN--3M100 | SN--3M150 | Niquelado | ||
| SU--3M060 | SU--3M100 | SU--3M150 | SUS303 | - | |
Polea de distribución HTD5M
| Tipo | Material | Tratamiento de superficies | |||
| Ancho de la correa: 10 mm | Ancho de la correa: 15 mm | Ancho de la correa: 25 mm | Polea | Brida | |
| A: 11 W: 16 L: 28 | A: 17 W: 22 L: 34 | A:27 An: 32 L: 44 | |||
| AW--5M100 | AW--5M150 | AW--5M250 | 6061 | 6061 | Anodizado natural |
| AB--5M100 | AB--5M150 | AB--5M250 | Anodizado negro | ||
| AH--5M100 | AH--5M150 | AH--5M250 | Anodizado duro | ||
| AN--5M100 | AN--5M150 | AN--5M250 | Niquelado | ||
| SF--5M100 | SF--5M150 | SF--5M250 | S45C | SPCC | Recubrimiento de óxido negro |
| SN--5M100 | SN--5M150 | SN--5M250 | Niquelado | ||
| SU--5M100 | SU--5M150 | - | SUS303 | - | |
Polea de distribución HTD8M
| Tipo | Material | Tratamiento de superficies | ||||
| Ancho de la correa: 15 mm | Ancho de la correa: 25 mm | Ancho de la correa: 30 mm | Ancho de la correa: 40 mm | Polea | Brida | |
| A: 17 An: 22 L: 37(42) | A: 28 W: 33 L: 48(53) | A:33 C: 38 L: 53(58) | A: 44 W: 49 L: 64(69) | |||
| AW--8M150 | AW--8M250 | AW--8M300 | AW--8M400 | 6061 | 6061 | Anodizado natural |
| AB--8M150 | AB--8M250 | AB--8M300 | AB--8M400 | Anodizado negro | ||
| AH--8M150 | AH--8M250 | AH--8M300 | AH--8M400 | Anodizado duro | ||
| AN--8M150 | AN--8M250 | AN--8M300 | AN--8M400 | Niquelado | ||
| SF--8M150 | SF--8M250 | SF--8M300 | SF--8M400 | S45C | SPCC | Recubrimiento de óxido negro |
| SN--8M150 | SN--8M250 | SN--8M300 | SN--8M400 | Niquelado | ||
Polea de distribución P2M
| Tipo | Material | Tratamiento de superficies | |
| Ancho de la correa: 6 mm | Polea | Brida | |
| A: 7,5 W: 11,5 L: 20 | |||
| AW**P2M060 | 6061 | 6061 | Anodizado natural |
| SF**P2M060 | Equivalente a S45C | SPCC | Recubrimiento de óxido negro |
| SN**P2M060 | Niquelado | ||
Polea de distribución P3M
| Tipo | Material | Tratamiento de superficies | ||
| Ancho de la correa: 10 mm | Ancho de la correa: 15 mm | Polea | Brida | |
| A: 12 W: 16 L: 23 (Cuando el número de dientes es menor que 20, A = 11) | A: 17 W: 21 L: 29 | |||
| AW**P3M100 | AW**P3M150 | 6061 | 6061 | Anodizado natural |
| SF**P3M100 | SF**P3M150 | Equivalente a S45C | SPCC | Recubrimiento de óxido negro |
| SN**P3M100 | SN**P3M150 | Niquelado | ||
Polea de distribución P5M
| Tipo | Material | Tratamiento de superficies | ||
| Ancho de la correa: 10 mm | Ancho de la correa: 15 mm | Polea | Brida | |
| A: 11,6 W: 16 L: 28 | A: 16,6 W: 21 L: 33 | |||
| AW**P5M100 | AW**P5M150 | 6061 | 6061 | Anodizado natural |
| AB**P5M100 | AB**P5M150 | Anodizado negro | ||
| AH**P5M100 | AH**P5M150 | Anodizado duro | ||
| AN**P5M100 | AN**P5M150 | Niquelado | ||
| SF**P5M100 | SF**P5M150 | Equivalente a S45C | SPCC | Recubrimiento de óxido negro |
| SN**P5M100 | SN**P5M150 | Niquelado | ||
Polea de distribución P8M
| Tipo | Material | Tratamiento de superficies | ||
| Ancho de la correa: 15 mm | Ancho de la correa: 25 mm | Polea | Brida | |
| A: 16,8 W: 22 L: 39 (44) | A: 27,8 W: 33 L: 50 (55) | |||
| AW**P8M150 | AW**P8M250 | 6061 | 6061 | Anodizado natural |
| AH**P8M150 | AH**P8M250 | Anodizado duro | ||
| AN**P8M150 | AN**P8M250 | Niquelado | ||
| SF**P8M150 | SF**P8M250 | Equivalente a S45C | SPCC | Recubrimiento de óxido negro |
| SN**P8M150 | SN**P8M250 | Niquelado | ||
Polea de distribución S2M

Polea de distribución S3M

Polea de distribución S5M

Polea de distribución S8M

Polea de distribución HTD3M

Polea de distribución HTD5M

Polea de distribución HTD8M

Polea de distribución P2M

Polea de distribución P3M

Polea de distribución P5M

Polea de distribución P8M

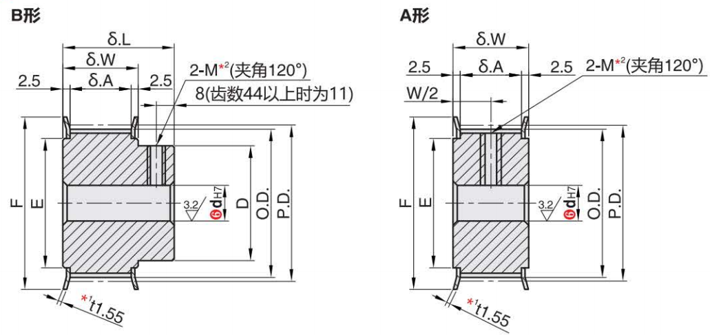
④ Perfil de polea


Las dimensiones de las ranuras de los dientes varían ligeramente según el número de dientes. Paso de diente (2 mm).
Para las especificaciones de agujeros de eje H (agujero redondo), V, F (agujero escalonado) e Y (agujero escalonado en ambos extremos), no hay agujeros roscados.
Es posible que el interior del orificio del eje no tenga tratamiento superficial.
* Para poleas de tipo A y agujeros de eje con P o N, los dos agujeros roscados están ubicados aproximadamente a 120° o 90° del centro de la ranura del diente.
④ Perfil de polea


Las dimensiones de las ranuras de los dientes varían ligeramente según el número de dientes. Paso de diente (3 mm).
Para las especificaciones de agujeros de eje H (agujero redondo), V, F (agujero escalonado) e Y (agujero escalonado en ambos extremos), no hay agujeros roscados.
Es posible que el interior del orificio del eje no tenga tratamiento superficial.
* Para poleas con orificios de eje tipo A y con ángulos P o N, los dos orificios roscados se ubican aproximadamente a 120° o 90° del centro de la ranura del diente.
④ Perfil de polea


Las dimensiones de las ranuras de los dientes varían ligeramente según el número de dientes. Paso de diente (5 mm).
Para las especificaciones de agujeros de eje H (agujero redondo), V, F (agujero escalonado) e Y (agujero escalonado en ambos extremos), no hay agujeros roscados.
Es posible que el interior del orificio del eje no tenga tratamiento superficial.
* Para poleas con orificios de eje tipo A y orificios P o N, los dos orificios roscados están ubicados aproximadamente a 120° o 90° del centro de la ranura del diente.
④ Perfil de polea


Las dimensiones de las ranuras de los dientes varían ligeramente según el número de dientes. Paso de diente (8 mm).
Para 72 dientes, t = 2 (brida torneada)
Para las especificaciones de agujeros de eje H (agujero redondo), V, F (agujero escalonado) e Y (agujero escalonado en ambos extremos), no hay agujeros roscados.
Es posible que el interior del orificio del eje no tenga tratamiento superficial.
* Para poleas con orificios de eje tipo A y con ángulos P o N, los dos orificios roscados se ubican aproximadamente a 120° o 90° del centro de la ranura del diente.
④Perfil de polea


Las dimensiones de las ranuras de los dientes varían ligeramente según el número de dientes. Paso de diente (3 mm).
Para las especificaciones de agujeros de eje H (agujero redondo), V, F (agujero escalonado) e Y (agujero escalonado en ambos extremos), no hay agujeros roscados.
Es posible que el interior del orificio del eje no tenga tratamiento superficial.
* Para poleas con orificios de eje tipo A y con ángulos P o N, los dos orificios roscados se ubican aproximadamente a 120° o 90° del centro de la ranura del diente.
Polea de distribución HTD5M
④ Perfil de polea


Las dimensiones de las ranuras de los dientes varían ligeramente según el número de dientes. Paso de diente (5 mm).
Para las especificaciones de agujeros de eje H (agujero redondo), V, F (agujero escalonado) e Y (agujero escalonado en ambos extremos), no hay agujeros roscados.
Es posible que el interior del orificio del eje no tenga tratamiento superficial.
* Para poleas con orificios de eje tipo A y con ángulos P o N, los dos orificios roscados se ubican aproximadamente a 120° o 90° del centro de la ranura del diente.
④ Perfil de polea


Las dimensiones de las ranuras de los dientes varían ligeramente dependiendo del número de dientes.
Paso de diente (8 mm)
Para las especificaciones de agujeros de eje H (agujero redondo), V, F (agujero escalonado) e Y (agujero escalonado en ambos extremos), no hay agujeros roscados.
Es posible que el interior del orificio del eje no tenga tratamiento superficial.
* Para poleas de tipo A y agujeros de eje con P o N, los dos agujeros roscados están ubicados aproximadamente a 120° o 90° del centro de la ranura del diente.
④ Perfil de polea

Las dimensiones de la ranura del diente varían ligeramente (2 mm) dependiendo del número de dientes.
Para las especificaciones de agujeros para ejes H (agujero redondo) y V (agujero escalonado), no hay agujeros roscados. Algunos tamaños pueden tener alivio para agujeros roscados.
Es posible que el interior del orificio del eje no tenga tratamiento superficial.
* Para poleas con agujeros de eje tipo A y agujeros P/N, los dos agujeros roscados están ubicados aproximadamente a 120° o 90° del centro de la ranura del diente.
④ Perfil de polea


Las dimensiones de la ranura del diente varían ligeramente (3 mm) dependiendo del número de dientes.
Para las especificaciones de agujeros para ejes H (agujero redondo) y V (agujero escalonado), no hay agujeros roscados. Algunos tamaños pueden tener alivio para agujeros roscados.
Es posible que el interior del orificio del eje no tenga tratamiento superficial.
* Para poleas con agujeros de eje tipo A y agujeros P/N, los dos agujeros roscados están ubicados aproximadamente a 120° o 90° del centro de la ranura del diente.
④ Perfil de polea


Las especificaciones de agujeros para ejes H (agujero redondo), V, F (agujero escalonado) e Y (agujero escalonado en ambos extremos) no incluyen agujeros roscados. Algunos tamaños pueden incluir alivio para agujeros roscados.
Es posible que el interior del orificio del eje no tenga tratamiento superficial.
* Para poleas con orificios de eje tipo A y orificios P o N, los dos orificios roscados deben ubicarse aproximadamente a 120° o 90° del centro de la ranura del diente.
④ Perfil de polea


Las especificaciones de agujeros para ejes H (agujero redondo), V, F (agujero escalonado) e Y (agujero escalonado en ambos extremos) no incluyen agujeros roscados. Algunos tamaños pueden incluir alivio para agujeros roscados.
Es posible que el interior del orificio del eje no tenga tratamiento superficial.
* Para poleas con orificios de eje tipo A y orificios P o N, los dos orificios roscados deben ubicarse aproximadamente a 120° o 90° del centro de la ranura del diente.