Enviar consulta ahora
Características del producto:
Diseño de baja inercia: Construido con materiales ligeros (como aleación de aluminio), reduce el consumo de energía y es adecuado para un funcionamiento de baja a media velocidad y larga duración.
Adecuado para cargas ligeras: Su estructura optimizada transmite eficazmente la tensión en cintas transportadoras ligeras, evitando un desgaste excesivo.
Menor consumo de energía: Reduce la carga del motor y mejora la eficiencia energética.
El perfil de los dientes se adapta perfectamente a la correa síncrona, lo que garantiza un funcionamiento sin deslizamiento y una relación de transmisión estable.
Evita la desviación y la vibración de la cinta, garantizando un transporte fluido de las mercancías transportadas.
Bajo nivel de ruido de funcionamiento, adecuado para entornos de producción silenciosos (como talleres de procesamiento de alimentos y salas de ensamblaje electrónico).
Paso de dientes preciso: Mantiene la sincronización de la velocidad y la posición de la cinta transportadora, minimizando la desalineación del producto.
Alta precisión de engranaje: Reduce el desgaste de la correa y prolonga la vida útil de la correa y la polea.
Adecuado para líneas de montaje con funcionamiento largo y continuo.
Ofrecen una fiabilidad rentable con especificaciones de paso estándar de 5 mm y 10 mm. Presentan un diseño de perfil de diente optimizado para un engranaje estable, diseñado específicamente para transmisiones ligeras y condiciones de par estándar.
Polea de distribución T5
| Tipo | Material | Tratamiento de superficies | ||||
| Ancho de la correa: 10 mm | Ancho de la correa: 15 mm | Ancho de la correa: 20 mm | Ancho de la correa: 25 mm | Polea | Brida | |
| A: 11 W: 16 L: 28 | A: 17 W: 22 L: 34 | A:22 An: 27 L: 39 | A: 27 An: 32 L: 44 | |||
| AW**T5100 | AW**T5150 | AW**T5200 | AW**T5250 | 6061 | 6061 | Anodizado natural | 
| AB**T5100 | AB**T5150 | AB**T5200 | AB**T5250 | Anodizado negro | ||
| AH**T5100 | AH**T5150 | AH**T5200 | AH**T5250 | Anodizado duro | ||
| AN**T5100 | AN**T5150 | AN**T5200 | AN**T5250 | Niquelado | ||
| SF**T5100 | SF**T5150 | SF**T5200 | SF**T5250 | S45C | SPCC | Recubrimiento de óxido negro | 
| SN**T5100 | SN**T5150 | SN**T5200 | SN**T5250 | Niquelado | ||
Polea de distribución T10
| Tipo | Material | Tratamiento de superficies | ||||||
| Ancho de la correa: 15 mm | Ancho de la correa: 20 mm | Ancho de la correa: 25 mm | Ancho de la correa: 30 mm | Ancho de la correa: 40 mm | Ancho de la correa: 50 mm | Polea | Brida | |
| A: 17 C: 22 L: 37 | A:22 W: 27 L: 42 | A: 27 W: 32 L: 47(52) | A: 32 C: 37 L: 52(57) | A: 43 W: 48 L: 61(63) | A: 53 W: 58 L: 70 | |||
| AW**T10150 | AW**T10200 | AW**T10250 | AW**T10300 | AW**T10400 | AW**T10500 | 6061 | 6061 | Anodizado natural | 
| AB**T10150 | AB**T10200 | AB**T10250 | AB**T10300 | AB**T10400 | AB**T10500 | Anodizado negro | ||
| AH**T10150 | AH**T10200 | AH**T10250 | AH**T10300 | AH**T10400 | AH**T10500 | Anodizado duro | ||
| AN**T10150 | AN**T10200 | AN**T10250 | AN**T10300 | AN**T10400 | AN**T10500 | Niquelado | ||
| SF**T10150 | SF**T10200 | SF**T10250 | SF**T10300 | SF**T10400 | SF**T10500 | S45C | SPCC | Película protectora de óxido ferroférrico | 
| SN**T10150 | SN**T10200 | SN**T10250 | SN**T10300 | SN**T10400 | SN**T10500 | Niquelado | ||
Polea de distribución T5

Polea de distribución T10

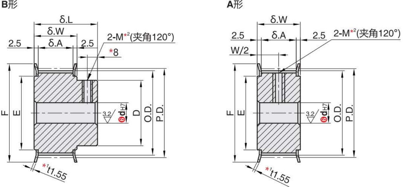
④ Perfil de polea


Las dimensiones de las ranuras de los dientes varían ligeramente según el número de dientes. Paso de diente (5 mm).
Para las especificaciones de agujeros de eje H (agujero redondo), V, F (agujero escalonado) e Y (agujero escalonado en ambos extremos), no hay agujeros roscados.
Es posible que el interior del orificio del eje no tenga tratamiento superficial.
* Para poleas con orificios de eje tipo A y orificios P o N, los dos orificios roscados están ubicados aproximadamente a 120° o 90° del centro de la ranura del diente.
④ Perfil de polea


Las dimensiones del paso de los dientes varían ligeramente según el número de dientes. Paso de los dientes (10 mm)
Para 34, 50 y 60 dientes, t = 2 (brida torneada).
Para las especificaciones de agujeros de eje H (agujero redondo), V, F (agujero escalonado) e Y (agujero escalonado en ambos extremos), no hay agujeros roscados.
Es posible que el interior del orificio del eje no tenga tratamiento superficial.
Para las poleas T10250 y T10300 con 44 a 60 dientes, el paso del orificio es 11; para las poleas T10400 y T10600, el paso del orificio es (LW)/2.
Las dimensiones entre paréntesis dentro de la dimensión L se refieren a poleas con 44 a 60 dientes.
* Para poleas con poleas tipo A y agujeros de eje tipo P o N, los dos agujeros roscados están ubicados aproximadamente a 120° o 90° del centro del espacio entre dientes.