Enviar consulta ahora
Características del producto:
Materiales de alta resistencia: Las poleas síncronas de transmisión de potencia de alta resistencia suelen estar fabricadas con materiales de alta resistencia y resistentes al desgaste, como acero aleado y aleación de aluminio, para garantizar la estabilidad y la durabilidad bajo cargas y velocidades elevadas.
Fabricación de precisión: El proceso de fabricación se adhiere a estrictos estándares de alta precisión, lo que garantiza que parámetros clave como el perfil y el paso de los dientes de la polea sean exactos, mejorando así la precisión y la estabilidad de la transmisión.
Diseños diversos: Para satisfacer las necesidades de diversas aplicaciones industriales, las poleas síncronas de transmisión de potencia de alta resistencia ofrecen una variedad de opciones de diseño, que incluyen diferentes perfiles de dientes, pasos, diámetros de polea y anchos.
Transmisión eficiente: Las poleas síncronas utilizan un sistema de transmisión por engranajes, lo que permite una transmisión de potencia eficiente y estable cuando se utilizan con una correa de distribución. Su eficiencia mecánica suele ser alta, alcanzando el 0,98 o más.
Relación de transmisión precisa: Debido a la relación de dentado entre la correa de distribución y la polea, las poleas síncronas de transmisión de potencia de alta resistencia pueden proporcionar relaciones de transmisión precisas, lo cual es fundamental para aplicaciones que requieren un control preciso de la velocidad y el par.
Transmisión sin deslizamiento: El sistema de transmisión por correa síncrona tiene la característica de no deslizamiento, lo que significa que no se generará calor ni desgaste adicionales durante el proceso de transmisión, lo que prolonga la vida útil del sistema de transmisión.
Poleas de distribución trapezoidales reforzadas serie AT: Una evolución avanzada de la tecnología serie T, con geometría de dientes reforzada y mejoras en los materiales para ofrecer una fiabilidad comprobada en condiciones de funcionamiento exigentes. Diseñadas específicamente para la transmisión de potencia de alta exigencia y aplicaciones industriales de alto par.
Polea de distribución AT5/AT10
| Tipo | Material | Tratamiento de superficies | |||||
| AT5 | AT10 | Polea | Brida | ||||
| Ancho de la correa: 10 mm | Ancho de la correa: 15 mm | Ancho de la correa: 15 mm | Ancho de la correa: 20 mm | Ancho de la correa: 25 mm | |||
| A: 11,6 An: 16,5 L: 25 (27/29) | A: 16,6 W: 21,5 L: 30 (32/34) | A: 16,5 W: 22,5 L: 38(40) | A: 21,5 An: 27,5 L: 43(45) | A: 26,5 W: 32,5 L: 48(50) | |||
| AW**AT5100 | AW**AT5150 | AW**AT10150 | AW**AT10200 | AW**AT10250 | 6061 | 6061 | Anodizado natural | 
| AB**AT5100 | AB**AT5150 | AB**AT10150 | AB**AT10200 | AB**AT10250 | Anodizado negro | ||
| AH**AT5100 | AH**AT5150 | AH**AT10150 | AH**AT10200 | AH**AT10250 | Anodizado duro | ||
| AN**AT5100 | AN**AT5150 | AN**AT10150 | AN**AT10200 | AN**AT10250 | Niquelado | ||
| SF**AT5100 | SF**AT5150 | SF**AT10150 | SF**AT10200 | SF**AT10250 | S45C | SPCC | Recubrimiento de óxido negro | 
| SN**AT5100 | SN**AT5150 | SN**AT10150 | SN**AT10200 | SN**AT10250 | Niquelado | ||
Polea de distribución AT5/AT10


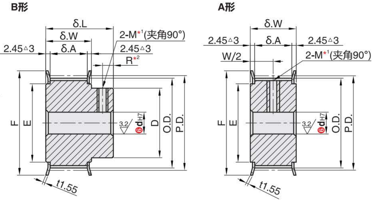
④ Perfil de polea


Las dimensiones de la ranura del diente varían ligeramente según el número de dientes. Paso de diente AT5 (5 mm); Paso de diente AT10 (10 mm);
El número después del triángulo en la figura indica el tipo AT10.
Para las especificaciones de agujeros de eje H (agujero redondo), V, F (agujero escalonado) e Y (agujero escalonado en ambos extremos), no hay agujeros roscados.
Es posible que el interior del orificio del eje no tenga tratamiento superficial.
AT5: R=4 (número de dientes 15-16); R=5 (número de dientes 18-28);
R=6 (número de dientes 30-60);
AT10: R=8 (número de dientes 14-48)
* Para poleas con tipo A y agujeros de eje P o N, los dos agujeros roscados están ubicados aproximadamente a 120° o 90° del centro de la ranura del diente.