Posición: Casa > Centro de productos > NUEVO EQUIPO > Actuador rotatorio hueco > Actuador rotatorio hueco de 85 mm Plataforma giratoria hueca 1 arc-min PTN085

Actuador rotatorio hueco de 85 mm Plataforma giratoria hueca 1 arc-min PTN085

Productfeatures:

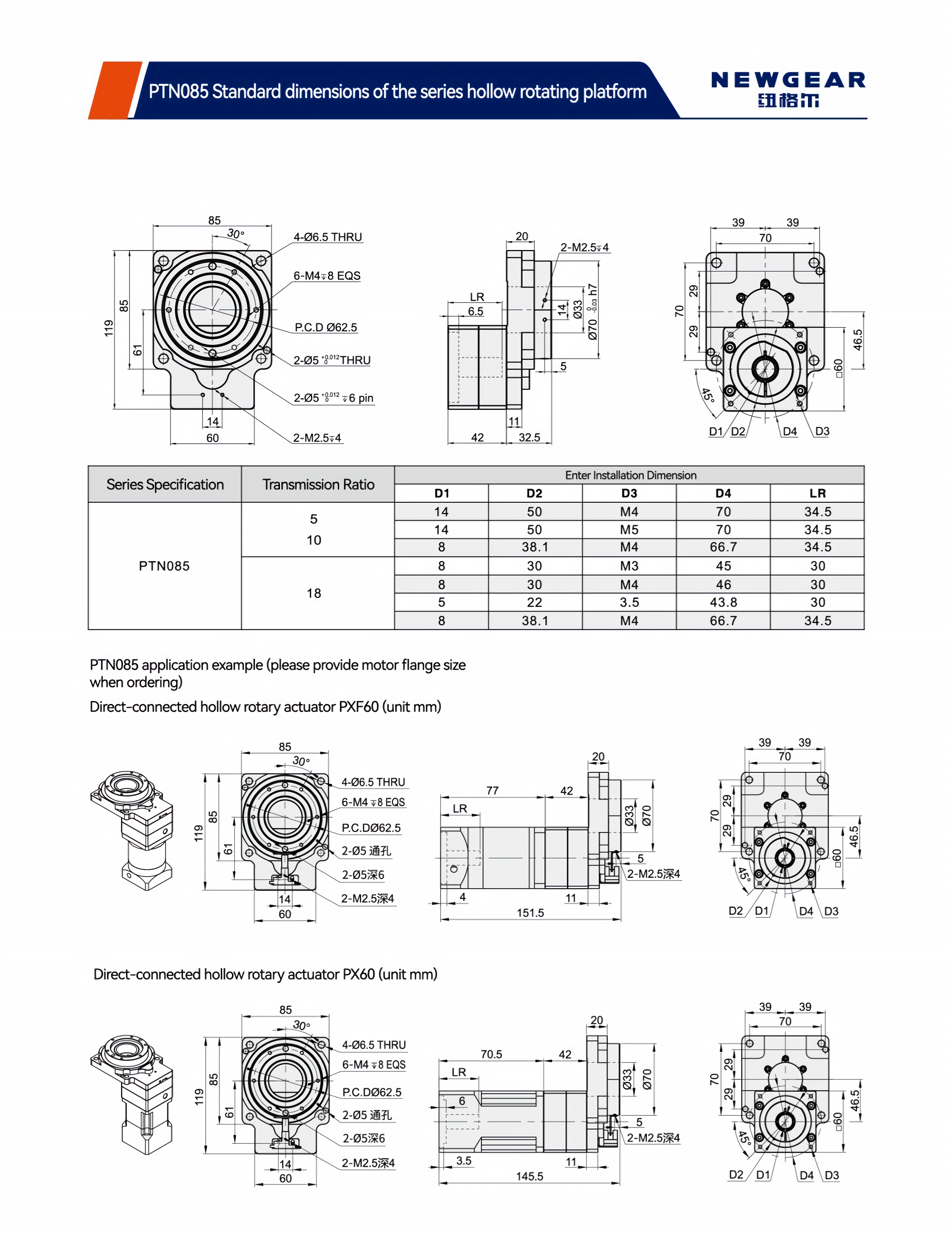
La PTN085 es una mesa giratoria hueca versátil, compatible con motores paso a paso NEMA 17 y 23 y servomotores de CA de 50 W a 400 W. Ofrece relaciones de transmisión de 5:1, 10:1 y 18:1, con una holgura de ≤1 minuto de arco y una repetibilidad de ±15 segundos de arco. Fabricada con una estructura rígida de rodamientos de rodillos cruzados y un diseño de orificio pasante, garantiza una alta capacidad de carga y un fácil enrutamiento de cables. Con clasificación IP40, es adecuada para entornos industriales generales. Además, se puede combinar con flexibilidad con nuestros reductores planetarios PX60/PRF60 para ampliar las opciones de relación de par y velocidad, proporcionando una solución rotativa robusta y adaptable para diversas aplicaciones de automatización.

Actuador rotatorio hueco de 85 mm Plataforma giratoria hueca 1 arc-min PTN085
Actuador rotatorio hueco de 85 mm Plataforma giratoria hueca 1 arc-min PTN085
Actuador rotatorio hueco de 85 mm Plataforma giratoria hueca 1 arc-min PTN085
Actuador rotatorio hueco de 85 mm Plataforma giratoria hueca 1 arc-min PTN085
Actuador rotatorio hueco de 85 mm Plataforma giratoria hueca 1 arc-min PTN085
Actuador rotatorio hueco de 85 mm Plataforma giratoria hueca 1 arc-min PTN085
Actuador rotatorio hueco de 85 mm Plataforma giratoria hueca 1 arc-min PTN085
Actuador rotatorio hueco de 85 mm Plataforma giratoria hueca 1 arc-min PTN085
Actuador rotatorio hueco de 85 mm Plataforma giratoria hueca 1 arc-min PTN085
Actuador rotatorio hueco de 85 mm Plataforma giratoria hueca 1 arc-min PTN085
Actuador rotatorio hueco de 85 mm Plataforma giratoria hueca 1 arc-min PTN085
Actuador rotatorio hueco de 85 mm Plataforma giratoria hueca 1 arc-min PTN085
Actuador rotatorio hueco de 85 mm Plataforma giratoria hueca 1 arc-min PTN085
¿Cuales son sus preferencias o necesidades de personalización?
Hable con nuestro equipo
Obtenga asesoramiento personalizado en minutos.
Solicitar cotización